In this webinar, Product Manager and engineer Brandon Gould runs through 5 demonstrations of the New 5 Series B MSO oscilloscope. This is a great, detailed overview whether you’re researching the capabilities of the 5 Series or learning how to get the most out of your instrument.
- General operation
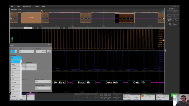
- Decoding serial buses and spectrum analysis
- MOSFET switching analysis
- 3-phase inverter measurements
- Cloud and PC-based waveform analysis
Duration 53:25



































































