Download

Download Manuals, Datasheets, Software and more:

DOWNLOAD TYPE
MODEL or KEYWORD

Feedback

4 Series MSO Mixed Signal Oscilloscope

With the largest display and highest available channel count in its class, the 4 Series offers unprecedented insight in a bench-friendly package. And its made-for-touch user interface works exactly as you'd expect.

Base Price
US $8,830 +
Bandwidth

Up to1.5GHz

Record length

Up to62.5M

ANALOG CHANNELS

4or6

Vertical Resolution

12bits

Watch how the 4 Series MSO user interface helps you work better and faster.

Biggest display in its class and award-winning user interface

With the same made-for-touch user interface technology as the award-winning 5 Series and the largest and highest resolution display in its class, the 4 Series MSO sets a new expectation of how a scope should work.

  • 13.3-inch HD display
  • 6.1-inch (15.5 cm) deep bench-friendly footprint

Outstanding details and up to 6 super-flexible channels

  • Any channel can show a waveform, spectrum, or both
  • Any input can be used to view eight digital channels by connecting a logic probe
  • Outstanding detail and accurate measurements on all channels
    • 12-bit vertical resolution (16-bit in high res mode)
    • 6.25 GS/s on all analog and digital channels
    • Up to 62.5 Mpoints record length
Watch and learn how 4 Series performance helps you see more.

Specs at a glance

Input Channels

  • 4 or 6 FlexChannel inputs
  • Each FlexChannel provides 1 analog signal input or 8 digital logic inputs with TLP058 probe

Bandwidth1

  • 200 MHz, 350 MHz, 500 MHz, 1 GHz or 1.5 GHz

Sample Rate

  • 6.25 GS/s on all analog/digital channels

Record Length

  • 31.25 or 62.5 Mpoints

Vertical Resolution

  • 12 bits
  • Up to 16 bits in High Res mode
Included probes and accessories

1 - Optional and upgradeable
2 - Free with product registration
3 - Partial list of decode and analysis options. See datasheet for all supported buses.

Signal Generation1

  • Arbitrary, Sine, Square, Pulse, Ramp, Triangle, DC Level, Gaussian, Lorentz, Exponential Rise/Fall, Sin(x)/x, Random Noise, Haversine, Cardiac

Digital Voltmeter2

  • 4-digit AC RMS, DC
  • DC+AC RMS voltage

Trigger Frequency Counter2

  • 8-digit

Advanced Analysis

  • Spectrum View Mixed Domain Analysis
  • Automated Power Measurements1
  • 3-Phase Power Measurements1

Protocol Support3

  • 10BASE-T, 100BASE-TX
  • CAN, CAN FD, LIN, FlexRay
  • I2C, SPI
  • MIL-STD-1553, ARINC 429
  • RS-232, RS-422, RS-485, UART
  • SPMI
  • SVID
  • USB 2.0 LS, FS, HS

Display

  • 13.3-inch (338 mm)
  • HD color (1920 x 1080) capacitive touchscreen

Dimensions (H x W x D)

  • 287 mm x 405 mm x 155 mm
  • (11.3 in x 15.9 in x 6.1 in)

Weight

  • 16 lbs (7.3 kg)
Included probes and accessories
1 - Optional and upgradeable
2 - Free with product registration
3 - Partial list of decode and analysis options. See datasheet for all supported buses.

September 2023 firmware release enables these new features and options

Upgrades on all instruments

  • New measurement annotations display reference levels, top/base levels, start/end points and more
  • New trace file records commands sent to the programming interface

Upgrades on instruments with advanced analysis options

Updated PC Software

  • TekScope waveform analysis software now incorporates many of the new features and options listed above

Already have a 4 Series? Get your update.

Download new firmware

Industry-Leading Probes

Accurate measurements start with great probes. Every 4 Series comes with the best passive probes in the industry, with loading of just 3.9 pF and up to 1 GHz bandwidth. The TPP Series probes will be your go-to probes for everyday use.

Highlights

  • TPP Series probes included standard. One per analog channel.
  • Industry-best capacitive probe loading of 3.9 pF
  • 250 MHz, 500 MHz or 1 GHz probe bandwidth depending on instrument bandwidth

Learn how to minimize probe loading with low C probes

Versatile and upgradeable

Get all the debug tools you need right away or add them when you need them - without having to send it back.

  • Bandwidth up to 1.5 GHz
  • Record length up to 62.5 Mpoints
  • Digital channels: each TLP058 logic probe provides 8 digital channels
  • DVM/Freq Counter (free with registration)
  • Arbitrary/Function Generator
  • Advanced Analysis
    • Serial bus decoding and triggering
    • Automated power measurements

Find out more about upgrades with this guide

See the capability the 4 Series MSO can bring to your bench.

See the full line of next-generation oscilloscopes

Whether you’re debugging serial buses or designing to high speed digital standards, we’ve set a new standard in scope user interface so you can get to your answers faster and easier.

Explore The Range

Model Analog Bandwidth Analog Channels Digital Channels Sample Rate Record Length List Price Configure And Quote
MSO44

200 MHz to 1.5 GHz

4

Up to 32 (optional)

6.25 GS/s

31.25 M to 62.5 M

US $8,830 Configure & Quote
MSO46

200 MHz to 1.5 GHz

6

Up to 48 (optional)

6.25 GS/s

31.25 M to 62.5 M

US $11,900 Configure & Quote
Model Analog Bandwidth Analog Channels Digital Channels Sample Rate Record Length List Price Configure And Quote
MSO44

200 MHz to 1.5 GHz

4

Up to 32 (optional)

6.25 GS/s

31.25 M to 62.5 M

US $8,830 Configure & Quote
MSO46

200 MHz to 1.5 GHz

6

Up to 48 (optional)

6.25 GS/s

31.25 M to 62.5 M

US $11,900 Configure & Quote
Tektronix
4 Series MSO
Tektronix
MDO4000C
Keysight
4000T X-Series
LeCroy
HDO4000A Series
Rohde & Schwarz
RTA4000 Series
Bandwidth 200 MHz to 1.5 GHz 200 MHz to 1 GHz 200 MHz to 1.5 GHz 200 MHz to 1 GHz 200 MHz to 1 GHz
Analog Channels 4 or 6 4 2 or 4 4 2 or 4
Digital Channels (optional) Up to 48 16 16 16 16
Sample Rate (All Channels) 6.25 GS/s Up to 5 GS/s 2.5 GS/s 2.5 GS/s 2.5 GS/s
Vertical Resolution 12 bits 8 bits 8 bits 12 bits 10 bits
Record Length (All Channels) 31.25 M
62.5 M (optional)
20 M 4 M 12.5 M
25 M (optional)
100 M
Integrated Arbitrary/Function Generator (optional) 1 x 50 MHz 1 x 50 MHz 2 x 20 MHz -- 1 x 25 MHz (opt)
Serial bus decoding Yes Yes Yes Yes Yes
Display 13.3 in touch
(1920 x 1080)
10.4 in
(1024 x 768)
12.1 in touch
(800 x 600)
12.1-in touch
(1280 x 800)
10.1 in touch
(1280 x 800)
Standard Warranty 3 years 3 years 3 years 3 years 3 years

Embedded serial bus analysis

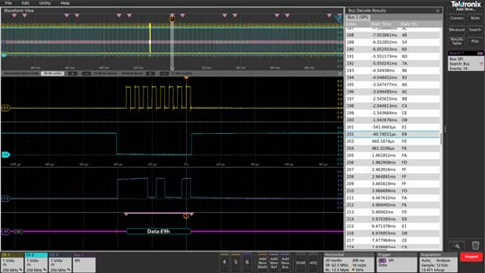
Serial bus decode and trigger options transform the 4 Series MSO into an indispensable tool for debugging serial buses with automatic decode, trigger, and search. Here are a few examples:

  • I2C, SPI
  • I3C
  • RS-232 / 422 / 485 / UART
  • USB 2.0
  • Ethernet

See the datasheet for all supported buses.

SPI BUS
MSO 4 Series Power Rail

Power integrity and power management

Today’s boards can have 20 or more power rails, many of which are less than a few volts with strict noise limits.

  • Up to 6 analog input channels
  • Compatible low-noise power-rail probes
  • Decoding options for SVID and SPMI

Power supply measurements and analysis

Even with lower standby power, faster switching and stricter noise limits, the 4 Series can speed up power supply troubleshooting, optimization and validation.

  • AC line and harmonics measurements
  • Switching loss analysis
  • DC power rails measurements
  • Bode plots and power supply rejection ratio
  • Wide range of current, power rail, differential, and optically-isolated probes
MSO 4 Series Power Application
Automotive ECU design

Automotive ECU design

Automotive systems demand robust communications between ECUs, sensors and actuators.

  • Mixed signal views to look beyond processors at sensors, actuators, switches, and power
  • Combine waveform and spectrum analysis for fast noise hunting with optional Spectrum View
  • Decode and trigger on CAN, CAN FD, LIN, FlexRay, SENT or PSI5 traffic

Learn about CAN, CAN FD, LIN and FlexRay decoding and triggering speed debug

Learn about SENT bus decoding and triggering

Remote Control and Automation

Test automation ensures that you get fast, repeatable results while allowing you to access your tools and data from anywhere.

KickStart makes automating your scope easy, so you can find the answers you need to move on to the next stage of development.

  • Automatically collect readings and waveforms and stream them to a PC
  • Run tests on multiple instruments independently or as part of a system
  • Quickly visualize data with large, clear viewing areas, comparison tools and intuitive controls
  • In addition to oscilloscopes, also supports Keithley SMUs, DMMs, AFGs and power supplies

Learn more about Keithley KickStart Software

Download a free trial of Keithley Kickstart

Remote Control and Automation
Electromagnetic interference (EMI) troubleshooting

Electromagnetic interference (EMI) troubleshooting

With the Spectrum View option each analog channel on the 4 Series MSO can show you a time domain waveform, a spectrum, or both. The time and frequency plots are synchronized to help you quickly determine which signals are the victims and which ones are the aggressors.

Starter

US $1,550

Subscription

US $3,860

Perpetual

  • Serial trigger, decode, search and event table analysis on I2C, SPI, RS-232/422/485/UART buses
  • Integrated Arbitrary/Function Generator with 13 predefined waveform types as well as arbitrary waveforms

Learn about maintenance for software and licenses

View Brochure

Average Savings of 61%!

Select license option to continue

Pro

  • Includes Starter Bundle
  • Adds 62.5 M/ch record length

Purchase a Pro or Ultimate software bundle and get 12 months of maintenance included.

View Brochure

Average Savings of 76%!

PLUS: Choose a bundle

Aerospace

US $3,090

Subscription

US $7,470

Perpetual

  • Mask/limit testing
  • ARINC 429 decoding
  • MIL-STD-1553 decoding
  • NRZ decoding
  • SpaceWire decoding

Select license option to continue

Automotive

US $3,090

Subscription

US $7,470

Perpetual

  • CAN, CAN FD decoding
  • CXPI decoding
  • Double pulse testing
  • FlexRay decoding
  • I3C decoding
  • LIN decoding
  • PSI5 decoding
  • SENT decoding

Select license option to continue

Power

US $3,090

Subscription

US $7,730

Perpetual

  • 3-phase power analysis
  • Advanced power analysis
  • Double pulse testing
  • SPMI decoding
  • SVID decoding

Select license option to continue

Serial Decode

US $3,090

Subscription

US $7,470

Perpetual

  • 1-Wire
  • Audio
  • CAN, CAN FD
  • CXPI
  • EtherCAT
  • Ethernet
  • eSPI
  • eUSB
  • FlexRay
  • I3C
  • LIN
  • Manchester
  • MDIO
  • MIPI D-PHY
  • NFC
  • NRZ
  • SDLC
  • SMBus
  • SPMI
  • SVID
  • USB 2.0

Select license option to continue

Ultimate

US $5,670

Subscription

US $13,900

Perpetual

  • Includes Starter bundle and all Pro bundles
  • PLUS: Spectrum View RF vs. time waveforms, extended Spectrum View capture bandwidth, and video triggers

Purchase a Pro or Ultimate software bundle and get 12 months of maintenance included.

View Brochure

Average Savings of 90%!

Select license option to continue

  • Opt. 4-3PHASE

    Three-phase analysis

  • Opt. 4-AFG

    Add built-in Arbitrary/Function Generator

  • Opt. 4-MTM

    Mask Testing

  • Opt. 4-PS2

    Power Solution Bundle (4-PWR-BAS, THDP0200, TCP0030A, 067-1684-XX deskew fixture)

  • Opt. 4-PWR

    Advanced power measurement and analysis

  • Opt. 4-PWR-BAS

    Power measurement and analysis

  • Opt. 4-RFNFC

    NFC wireless protocol decoding and search

  • Opt. 4-RL-1

    Extend record length to 62.5 Mpoints/channel

  • Opt. 4-SEC

    Add password-protected enabling and disabling of all communication ports and firmware upgrades

  • Opt. 4-SRAERO

    MIL-STD-1553 and ARINC 429 protocol trigger and decode of serial packet content

  • Opt. 4-SRAUDIO

    I2S, LJ, RJ, and TDM protocol trigger and decode of serial packet content

  • Opt. 4-SRAUTO

    CAN, CAN FD, LIN, and FlexRay protocol trigger and decode of serial packet content.

  • Opt. 4-SRAUTOSEN

    SENT prototcol trigger and decode of serial packet content

  • Opt. 4-SRCOMP

    RS-232/422/485/UART protocol trigger and decode of serial packet content

  • Opt. 4-SRCXPI

    CXPI protocol decoding and analysis

  • Opt. 4-SREMBD

    I2C and SPI protocol trigger and decode of serial packet content

  • Opt. 4-SRENET

    10BASE-T and 100BASE-TX protocol search and decode of serial packet content

  • Opt. 4-SRESPI

    eSPI protocol decoding and analysis

  • Opt. 4-SRETHERCAT

    EtherCAT protocol decoding and analysis

  • Opt. 4-SREUSB2

    eUSB2 protocol decoding and analysis

  • Opt. 4-SRI3C

    I3C protocol trigger and analysis of serial packet content

  • Opt. 4-SRMANCH

    Manchester decoding and analysis

  • Opt. 4-SRMDIO

    MDIO protocol decoding and analysis

  • Opt. 4-SRNRZ

    NRZ protocol decoding and analysis

  • Opt. 4-SRONEWIRE

    1-Wire protocol decoding and analysis

  • Opt. 4-SRPM

    SPMI prototcol trigger and decode of serial packet content

  • Opt. 4-SRPSI5

    PSI5 serial decode and analysis

  • Opt. 4-SRSDLC

    Synchronous data link control (SDLC) decoding and analysis

  • Opt. 4-SRSMBUS

    SMBus protocol decoding and analysis

  • Opt. 4-SRSPACEWIRE

    SpaceWire protocol decoding and analysis

  • Opt. 4-SRSVID

    SVID protocol decoding and analysis

  • Opt. 4-SRUSB2

    Automated compliance testing and verification of USB 2.0 and 3.0 for low-speed, full-speed, high speed and superspeed

  • Opt. 4-SV-BAS

    Spectrum View frequency-domain analysis

  • Opt. 4-SV-BW-1

    Increase Spectrum View Capture Bandwidth to 500 MHz (4-SV-BAS required)

  • Opt. 4-SV-RFVT

    Spectrum View RF versus time analysis and trigger (4-SV-BAS required)

  • Opt. 4-VID

    Analog video trigger (NTSC, PAL, SECAM)

  • Opt. 4-WBG-DPT

    Wide bandgap (SiC/GaN) double pulse test application

Add Instrument Functions

Upgrade Description Purchasing Details
TLP058 Logic Probe Each probe accesses 8 digital channels on any FlexChannel input Request a quote

Add Instrument Functions

Upgrade Description Purchasing Details
SUP4-AFG Add arbitrary function generator Request trial license

Request a quote
SUP4-DVM Add digital voltmeter / trigger frequency counter Software upgrade license key provided upon registration

Register now
SUP4-RL-1 Extend record length from 31.25Mpts / channel to 62.5 Mpts / channel Request trial license

Request a quote

Add Protocol Analysis

Upgrade Description Purchasing Details
SUP4-RFNFC NFC wireless protocol decoding and search Request trial license

Request a quote
SUP4-SRAERO Aerospace serial triggering and analysis (MIL-STD-1553, ARINC429) Request trial license

Request a quote
SUP4-SRAUDIO Audio serial triggering and analysis (I2S, LJ, RJ, TDM) Request trial license

Request a quote
SUP4-SRAUTO Automotive serial triggering and analysis (CAN, CAN FD, LIN, FlexRay) Request trial license

Request a quote
SUP4-SRAUTOSEN Automotive sensor serial triggering and analysis (SENT) Request trial license

Request a quote
SUP4-SRCOMP Computer serial triggering and analysis (RS-232/422/485/UART) Request trial license

Request a quote
SUP4-SRCXPI CXPI protocol decoding and analysis Request trial license

Request a quote
SUP4-SREMBD Embedded serial triggering and analysis (I2C, SPI) Request trial license

Request a quote
SUP4-SRENET Ethernet serial triggering and analysis (10Base-T, 100Base-TX) Request trial license

Request a quote
SUP4-SRESPI eSPI protocol decoding and analysis Request trial license

Request a quote
SUP4-SRETHERCAT EtherCAT protocol decoding and analysis Request trial license

Request a quote
SUP4-SREUSB2 eUSB2 protocol decoding and analysis Request trial license

Request a quote
SUP4-SRI3C I3C serial triggering and analysis Request trial license

Request a quote
SUP4-SRMANCH Manchester decoding and analysis Request trial license

Request a quote
SUP4-SRMDIO MDIO protocol decoding and analysis Request trial license

Request a quote
SUP4-SRNRZ NRZ protocol decoding and analysis Request trial license

Request a quote
SUP4-SRONEWIRE 1-Wire protocol decoding and analysis Request trial license

Request a quote
SUP4-SRPM Power Managent serial triggering and analysis (SPMI) Request trial license

Request a quote
SUP4-SRPSI5 PSI5 serial decode and analysis Request trial license

Request a quote
SUP4-SRSDLC Synchronous Data Link Control (SDLC) decoding and analysis Request trial license

Request a quote
SUP4-SRSMBUS SMBus protocol decoding and analysis Request trial license

Request a quote
SUP4-SRSPACEWIRE SpaceWire protocol decoding and analysis Request trial license

Request a quote
SUP4-SRSVID SVID protocol decoding and analysis Request trial license

Request a quote
SUP4-SRUSB2 USB 2.0 serial bus triggering and analysis (LS, FS, HS) (≥ 1 GHz model recommended for HS) Request trial license

Request a quote

Add Advanced Analysis

Upgrade Description Purchasing Details
SUP4-MTM Mask and limit testing Request trial license

Request a quote
SUP4-3PHASE Three-phase analysis Request trial license

Request a quote
SUP4-PWR Advanced power measurement and analysis Request trial license

Request a quote
SUP4-PWR-BAS Power analysis Request trial license

Request a quote
SUP4-SV-BAS Spectrum View frequency-domain analysis Request trial license

Request a quote
SUP4-SV-BW-1 Increase Spectrum View Capture Bandwidth to 500 MHz (4-SV-BAS or SUP4-SV-BAS required) Request trial license

Request a quote
SUP4-SV-RFVT Spectrum View RF versus time analysis and trigger (4-SV-BAS required) Request trial license

Request a quote
SUP4-VID Analog video trigger (NTSC, PAL, SECAM) Request trial license

Request a quote
SUP4-WBG-DPT Wide bandgap (SiC/GaN) double pulse test application Request trial license

Request a quote

Upgrade Bandwidth

Upgrade Description Purchasing Details
SUP4-BW4 Bandwidth upgrade for 4 Series MSO with 4 FlexChannel inputs. See datasheet for options.
SUP4-BW6 Bandwidth upgrade for 4 Series MSO with 6 FlexChannel inputs. See datasheet for options.
Current Probes
Datasheet Link Probe Description Configure and Quote
TCP0020 Probe, AC/DC Current; 20 Amp; 50 MHz BW; TekVPI Interface; Certificate of Traceable Calibration Standard Configure & Quote
View Datasheet TCP0030A Probe, AC/DC Current; 30 Amp DC, DC TO 120 MHZ; with TekVPI Interface; Certificate of Traceable Calibration Standard Configure & Quote
View Datasheet TCP0150 Current Probe: 20 MHz, 5 mA to 212 A, AC/DC, TekVPI Configure & Quote
View Datasheet TRCP0300 Current Probe: 30 MHz, 250 mA to 300 A, AC-Only, BNC Interface Configure & Quote
View Datasheet TRCP0600 Current Probe: 30 MHz, 500 mA to 600 A, AC-Only, BNC Interface Configure & Quote
View Datasheet TRCP3000 Current Probe: 16 MHz, 500 mA to 3000 A, AC-Only, BNC Interface Configure & Quote
High Voltage Differential Probes
Datasheet Link Probe Description Configure and Quote
View Datasheet TDP0500 Differential Probe: 500 MHz, 5X/50X, +/- 42V, TekVPI Configure & Quote
View Datasheet TDP1000 Differential Probe: 1 GHz, 5X/50X, +/- 42V, TekVPI Configure & Quote
View Datasheet THDP0100 Differential PROBE; 100 MHZ TekVPI DIFFERENTIAL HIGH VOLTAGE PROBE Configure & Quote
View Datasheet THDP0200 Differential PROBE; 200 MHZ TekVPI DIFFERENTIAL HIGH VOLTAGE PROBE Configure & Quote
View Datasheet TMDP0200 Differential PROBE; 200 MHZ TekVPI DIFFERENTIAL MEDIUM VOLTAGE PROBE;TMPD0200 Configure & Quote
High Voltage Probe: Single-Ended
Datasheet Link Probe Description Configure and Quote
P6015A PROBE HIVOLTAGE; 75MHZ,40KV,1000X 10 FT - CERTIFICATE OF TRACEABLE CALIBRATION STANDARD Configure & Quote
View Datasheet TPP0850 High Voltage Probe: 800 MHz, 50X, 2.5 kV, Single-ended, TekVPI Configure & Quote
IsoVu Isolated Probes
Datasheet Link Probe Description Configure and Quote
View Datasheet TIVP02 IsoVu Gen. 2 optically isolated differential probe, 200 MHz, TekVPI, 2 m cable, includes 10X (TIVPMX10X) tip Configure & Quote
View Datasheet TIVP02L IsoVu Gen. 2 optically isolated differential probe, 200 MHz, TekVPI, 10 m cable, includes 10X (TIVPMX10X) tip Configure & Quote
View Datasheet TIVP05 IsoVu Gen. 2 optically isolated differential probe, 500 MHz, TekVPI, 2 m cable, includes 10X (TIVPMX10X) tip Configure & Quote
View Datasheet TIVP05L IsoVu Gen. 2 optically isolated differential probe, 500 MHz, TekVPI, 10 m cable, includes 10X (TIVPMX10X) tip Configure & Quote
View Datasheet TIVP1 IsoVu Gen. 2 optically isolated differential probe, 1 GHz, TekVPI, 2 m cable, includes 10X (TIVPMX10X) tip Configure & Quote
View Datasheet TIVP1L IsoVu Gen. 2 optically isolated differential probe, 1 GHz, TekVPI, 10 m cable, includes 10X (TIVPMX10X) tip Configure & Quote
Logic Probe
Datasheet Link Probe Description Configure and Quote
TLP058 8 channel general purpose logic probe for 5 and 6 Series MSO oscilloscopes. Includes accessory kit. Configure & Quote
Low Voltage Differential Oscilloscope Probes
Datasheet Link Probe Description Configure and Quote
View Datasheet TDP1500 Differential Probe: 1.5 GHz, 1X/10X, +/-8.5V, TekVPI Configure & Quote
View Datasheet TDP3500 Differential Probe: 3.5 GHz, 5X, +/- 2V, TekVPI Configure & Quote
View Datasheet TDP4000 4 GHz, Differential Probe with TekVPI interface Configure & Quote
Low Voltage Probes: Single-Ended
Datasheet Link Probe Description Configure and Quote
View Datasheet TAP1500 Active Probe: 1.5 GHz, 10X, Single-ended, TekVPI Configure & Quote
View Datasheet TAP2500 Active Probe: 2.5 GHz, 10X, Single-ended, TekVPI Configure & Quote
View Datasheet TAP3500 Active Probe: 3.5 GHz, 10X, Single-ended, TekVPI Configure & Quote
View Datasheet TAP4000 4 GHz, Single Ended Probe with TekVPI interface Configure & Quote
Passive Probe
Datasheet Link Probe Description Configure and Quote
View Datasheet TPP0250 Passive Probe: 250 MHz, 10X, TekVPI Configure & Quote
View Datasheet TPP0500B Passive Probe: 500 MHz, 10X, TekVPI Configure & Quote
View Datasheet TPP0502 Passive Probe: 500 MHz, 2X, TekVPI Configure & Quote
View Datasheet TPP1000 Passive Probe: 1 GHz, 10X, TekVPI Configure & Quote
Power Rail Probes
Datasheet Link Probe Description Configure and Quote
View Datasheet TPR1000 1 GHz, Single-Ended TekVPI Power-Rail Probe with TPR4KIT Standard Accessory Kit Configure & Quote
View Datasheet TPR4000 4 GHz, Single-Ended TekVPI Power-Rail Probe with TPR4KIT Standard Accessory Kit Configure & Quote
Accessory HC4
Datasheet Description
View Datasheet Hard transit case for the 4 Series MSO (includes front cover)
Accessory RM4
Datasheet Description
View Datasheet Rack mount kit for the 4 Series MSO
Accessory SC4
Datasheet Description
View Datasheet Soft carrying case and front protective cover for the 4 Series MSO
Accessory TEK-DPG
Datasheet Description
Accessory, Deskew Pulse Generator Signal Source with TekVPI Scope Interface
Accessory TPA-BNC
Datasheet Description
Probe adapter from TekProbe-BNC to TekVPI
Datasheet Accessory Description
HC4 Hard transit case for the 4 Series MSO (includes front cover)
RM4 Rack mount kit for the 4 Series MSO
SC4 Soft carrying case and front protective cover for the 4 Series MSO
View Datasheet TEK-DPG Accessory, Deskew Pulse Generator Signal Source with TekVPI Scope Interface
View Datasheet TPA-BNC Probe adapter from TekProbe-BNC to TekVPI